What is Double Block Bleed Valve?
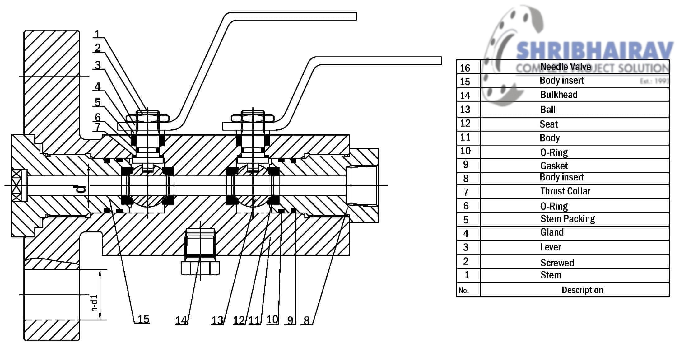
Double Block Bleed Valve is a combination of a bleed valve with two block valves. This is a design structure that can allow for two way flow when necessary and to effectively control the liquid flow inside the system. There are different types of valves such as the Double Block Bleed Needle Valve which uses a needle for the block valves. The operation is by rotating the handle attached to the stem which is connected through a threaded bore to the needle. There can be a plug, needle, gate or knife at the end of the stem inside the body of the valve. The Double Block And Bleed Plug Valve uses a plug to sit on the seating and to close and open the valve gate.
The plug could be rubber or metallic depending on the material flowing inside the valve. The Double Block And Bleed Gate Valve is another type which uses gates to control the flow through the block valves. The gate is attached to the stem and the stem descends or ascends into and out of the body. The gate can be made up of steel or other high alloy materials. The Double Block And Bleed Knife Gate Valve uses a knife that is connected to the stem. The knife is essentially a gate that has a sharp edge. The knife gates are used to cut through high viscous liquids. The double block bleed valves are efficient and have less or no water hammer effects.
Shribhairav Metal Corporation is proud to present a range of Double Block Bleed valves that have all these qualities and a lot more. By choosing us as your manufacturing partner, you not only get flawless Double Block Bleed valves; but also, exceptional prices, delivery services, and product guarantees.
Applications of Double Block Bleed Valve
Double Block Bleed Valve are widely used in numerous applications:
- Water supply systems: Double Block Bleed valves are the most common valve in water supply systems, and are used to isolate areas for maintenance, repairs, and new installations. They can also reroute water flow.
- Fire protection: Double Block Bleed valves are essential in fire protection systems because they allow for quick and decisive control of water flow.
- Industrial applications: Double Block Bleed valves are used in many industrial applications, including oil and gas, pharmaceuticals, manufacturing, automotive, and marine.
- Power plants and utilities: Double Block Bleed valves are often used in power plants and utilities.
- Mining and refining: Double Block Bleed valves are used in mining and refining operations
Why Choose Shribhairav Metal Corporation for Double Block Bleed Valve ?
Here are some reasons to choose Shribhairav Metal Corporation for your Double Block Bleed Valve needs:
- Latest Machineries: We manufacture Double Block Bleed valves using the latest machineries that makes the entire process less tedious and more effective. By using automation, we eliminate human-errors and are able to deliver better products to clients.
- Strict Quality Testing: We have a well-defined quality process in place where each and every manufactured Double Block Bleed valve undergoes inspection and field test before being delivered to the client. These quality testing parameters can also be defined by the client.
- Products with Guarantee: We offer guarantee on manufacturing defects which makes our Double Block Bleed valves even more popular. Our first endeavor is to ensure that you get defect-free Double Block Bleed valves; but, just in case if there are any issues, we are there to take care.
- Perfect Manpower: We rely on machines for precision; but, do not undermine the importance of human touch. We employ trained machine men and engineers who supervise the manufacturing process and intervene if required to ensure robust Double Block Bleed valves are created.
- Finest Raw Material: We sources raw material from well-known and certified suppliers. We have been associated with them for almost two decades and have established a relationship that allows us to offer competitive prices without compromising on product quality.
Features
- Size: 1/2" -12" ( 15NB - 300NB )
- Class: 150#-2500#
- CS / SS / ALLOY STEEL / DSS / NI-ALLOYS / BRONZE
- Trunion / Floating Ball, Full & Reduced Bore
- Anti-Static Device
- Blow-out Proof Stem
- Fire Safe Designed
- Low Emission
- Actucation - Hand Lever / Gear Box / Actuator - Pneumetic, Hydraulic, Electrical
- Speciality-Metal To Metal Seated
Standard Specification For Double Block Bleed Valve
- Design : ASME B16.34 / BS 5351 / API 6D /BS 17292
- Face to Face : ASME B16.10 /API 6D
- End to End: BW / Flanged / RTJ
- BW End: ASME B16.25
- Test: API 598 / API 6D / BS 6755 / 12266
- Fire Safe: Design Fire Safe API 607 / 6FA
- Special : NACE MR-01-75 / 0103
Class 150 Double Block Bleed Valve Dimensions
| ASME, Class | Size | A | B | C | CD** | ØF | |
| NPS* | DN* | ||||||
| 150 | 2 | 50 | 178 | 455 | 150 | 85 | 49 |
| 3 | 80 | 203 | 470 | 175 | 100 | 74 | |
| 4 | 100 | 229 | 490 | 190 | 140 | 100 | |
| 6 | 150 | 267 | 640 | 225 | 200 | 150 | |
| 8 | 200 | 292 | 670 | 260 | 255 | 201 | |
| 10 | 250 | 330 | 710 | 290 | 340 | 252 | |
| 12 | 300 | 356 | 785 | 330 | 425 | 303 | |
| 14 | 350 | 381 | 800 | 380 | 465 | 334 | |
| 16 | 400 | 406 | 1075 | 410 | 535 | 385 | |
| 18 | 450 | 432 | 1100 | 440 | 590 | 436 | |
| 20 | 500 | 813 | 1140 | 495 | 670 | 487 | |
| 24 | 600 | 914 | 1215 | 570 | 820 | 589 | |
| 30 | 750 | 1524 | 1840 | 705 | 1035 | 735 | |
Dimensions Chart of Class 300 Double Block Bleed valve
| ASME, Class | Size | A | B | C | CD** | ØF | |
| NPS* | DN* | ||||||
| 300 | 2 | 50 | 216 | 455 | 150 | 85 | 49 |
| 3 | 80 | 283 | 470 | 175 | 100 | 74 | |
| 4 | 100 | 305 | 490 | 190 | 140 | 100 | |
| 6 | 150 | 403 | 640 | 225 | 200 | 150 | |
| 8 | 200 | 419 | 670 | 260 | 255 | 201 | |
| 10 | 250 | 457 | 710 | 270 | 330 | 252 | |
| 12 | 300 | 502 | 775 | 345 | 415 | 303 | |
| 14 | 350 | 762 | 825 | 395 | 465 | 334 | |
| 16 | 400 | 838 | 875 | 445 | 515 | 385 | |
| 18 | 450 | 914 | 925 | 495 | 565 | 436 | |
| 20 | 500 | 991 | 975 | 545 | 615 | 487 | |
| 24 | 600 | 1321 | 1025 | 600 | 665 | 589 | |
| 600 | 2 | 50 | 292 | 395 | 130 | 80 | 49 |
| 3 | 80 | 356 | 395 | 130 | 80 | 74 | |
| 4 | 100 | 432 | 495 | 185 | 105 | 100 | |
| 6 | 150 | 559 | 660 | 230 | 180 | 150 | |
| 8 | 200 | 660 | 690 | 280 | 250 | 201 | |
| 10 | 250 | 787 | 930 | 405 | 280 | 252 | |
| 12 | 300 | 838 | 970 | 435 | 350 | 303 | |
Bore Size of Double Block Bleed Valve
| Designator | Size |
| 1 | 9.5 mm (3/8”) |
| 2 | 14 mm (1/2”) |
| 3 | 19 mm (3/4”) |
| 4 | 25 mm (1”) |
| 5 | 38 mm (1 ½”) |
| 6 | 42 mm (1- 11/16”) |
| 7 | 50 mm (2”) |
Double Block And Bleed Gate Valve Process Connection Flange Size
| Designator | Size |
| 8 | 1/2 |
| 12 | 3/4 |
| 16 | 1 |
| 24 | 1-1/2 |
| 32 | 2 |
| 48 | 3 |
Working pressure of Double Block & Bleed Valves
| Working pressure | PN 10 - PN 400 |
Get a best quote , We Keep Bulk Stock at our stockyard, contact us to request a quote.
Double Block Bleed Valve Application Industries
Refineries
Oil and Gas Industry
Power Generation
Pharmaceutical Equipment
Pulp & Paper Industry
